入会指南
年审指南
下载园地
会员登录
手机版
收藏本站
首 页
协会介绍
协会介绍
协会架构
领导介绍
机构设置和介绍
协会章程
分支机构
发展研究中心
专家委员会
新闻动态
协会新闻
行业动态
环卫时评
法规行约
政策法规
行业标准
协会制度
会员之家
会员名录
诚信企业
培训证书
会员风采
环卫风采
服务之窗
信息公告
培训信息
友情链接
社会捐赠
党团工作
党支部简介
党的章程
组织建设
党内生活
学习教育
供求信息
环卫设备租赁平台
人才招聘
招标信息
优秀供应商和高新产品推荐
下载园地
下载分类
广州环卫杂志
办事大厅
环卫资质业务办理
年审提交
您现在的位置:
首页
>
法规行约
>
行业标准
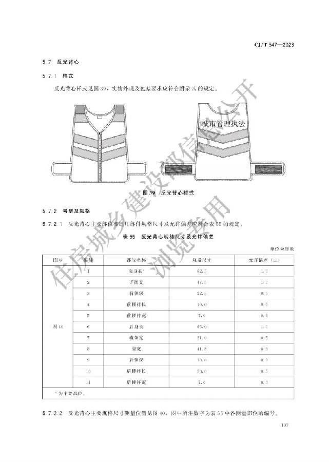
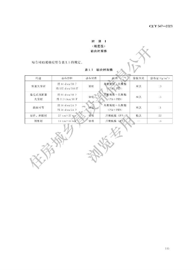
城市管理执法制式服装 制服
上传时间:2025-11-07 浏览:3839次
(已压缩)城市管理执法制式服装 制服.pdf
上一篇
: 城市道路清扫保洁与质量评价标准
下一篇
: 城市市容市貌干净整洁有序安全标准
返回列表
分享至:
法规行约
Fa Gui Xing Yue
政策法规
行业标准
协会制度
关注微信公众号
广州环卫行业协会
最新信息公告
穂环协【2026】14号(关于开展第十一批广州...
穗环协【2026】12号(广州环卫行业协会关于...
穗环协【2026】9号(关于印发新版《广州环...
穗环协【2026】8号(关于印发《2026年“环...
穗环协〔2026〕4号(关于开展2026年环卫行...
穗环协【2026】1号(关于“志愿在行动,幸...
穗环协【2025】64号(广州环卫行业协会关于...
穗环协【2025】62号(广州环卫行业协会关于...
环卫资质业务办理
会员登录
换一张